 Triumph Scrambler 1200 XC - Service manual > Pinpoint Tests - Fuel
Triumph Scrambler 1200 XC - Service manual > Pinpoint Tests - Fuel
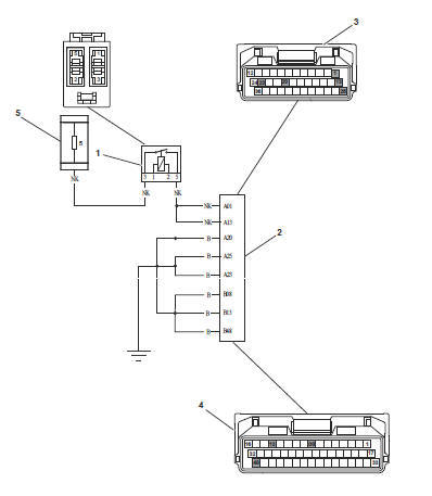
		Oxygen Sensor Heater

Pinpoint Tests

Circuit Diagram

- Left Hand Oxygen Sensor
- Right Hand Oxygen Sensor
- Engine Management System Relay
- Engine Electronic Control Module
- Engine Electronic Control Module - Connector A
- Engine Electronic Control Module - Connector B
Manifold Absolute Pressure (MAP) Sensor


Pinpoint Tests

Circuit Diagram

- Manifold Absolute Pressure (MAP) Sensor
- Engine Electronic Control Module
- Engine Electronic Control Module - Connector B

Pinpoint Tests


Resistance data
If engine is warm, remove the sensor and allow time to cool to ambient temperature prior to test.

Circuit Diagram

- Intake Air Temperature Sensor
- Engine Electronic Control Module
- Engine Electronic Control Module - Connector A
- Engine Electronic Control Module - Connector B


Pinpoint Tests


Resistance data under typical conditions

Circuit Diagram

- Coolant Temperature Sensor
- Engine Electronic Control Module
- Engine Electronic Control Module - Connector A
- Engine Electronic Control Module - Connector B
Cruise Control Prevented Due to Other Malfunction

Pinpoint Tests

Circuit Diagram

Pinpoint Tests


Circuit Diagram

- Left Hand Oxygen Sensor
- Right Hand Oxygen Sensor
- Engine Management System Relay
- Engine Electronic Control Module
- Engine Electronic Control Module - Connector A
- Engine Electronic Control Module - Connector B

Pinpoint Tests



Circuit Diagram

- EMS Relay
- Fuel Injectors
- Engine Electronic control Unit
- Engine Electronic Control Unit - Connector A

Pinpoint Tests


Circuit Diagram

- Crankshaft Sensor
- Engine Electronic Control Module Connector A

Pinpoint Tests

Circuit Diagram

- Ignition Coils
- Engine Electronic Control Module
- Engine Management system Relay
- Fuse Box
- Engine Electronic Control Module - Connector A
- Engine Electronic Control Module - Connector B


Pinpoint Tests


Circuit Diagram

- Purge Valve
- Engine Electronic Control Module
- Engine Electronic Control Module - Connector A
- Engine Electronic Control Module - Connector B
- Engine Management System Relay
- Fuse Box

Pinpoint Tests


Circuit Diagram

- Fuel Level Sensor
- Engine Electronic Control Module
- Engine Electronic Control Module - Connector B


Pinpoint Tests


Circuit Diagram

- Engine Management System Relay
- Engine Electronic Control Module
- Engine Electronic Control Module - Connector A
- Engine Electronic Control Module - Connector B
- Fuse Box

Pinpoint Tests



Pinpoint Tests



Circuit Diagram

- Ignition Master Switch (KL15) Relay
- Front Brake Switch
- Rear Brake Switch
- Engine Electronic Control Module
- Engine Electronic Control Module - Connector A

Pinpoint Tests


Circuit Diagram

- Starter Motor Relay
- Engine Electronic Control Module
- Alarm
- Right Hand Switch Housing
- Fuse Box
- Right Hand Switch Housing Grey Connector
- Right Hand Switch Housing Black Connector
- Engine Electronic Control Module - Connector A
- Engine Electronic Control Module - Connector B

Pinpoint Tests


Note
When the pin point tests have been completed, reset the neutral position sensor adaption (see Neutral Position Adaption).
Circuit Diagram

- Gear Position Sensor
- Engine Electronic Control Module
- Engine Electronic Control Module - Connector B

Pinpoint Tests


Circuit Diagram

- Fuel Pump Relay
- Alarm
- Engine Electronic Control Module
- Engine Electronic Control Module - Connector A
- Engine Electronic Control Module - Connector B
- Fuse Box

Pinpoint Tests


Pinpoint Tests


Circuit Diagram

- ABS Modulator
- Engine Electronic Control Module
- Fuse Box
- Engine Electronic Control Module - Connector A

Pinpoint Tests

Circuit Diagram

- Cooling Fan Relay
- Engine management System Relay
- Cooling Fan
- Engine Electronic Control Module
- Engine Electronic Control Module - Connector A
- Fuse Box
Cruise Control Disabled Until Button Press Sequence Completed
Calibration Lock
Instrument ID Incompatible


Keyless ECM Communication
Fall Detection Switch
EMS Ignition Voltage Input Circuit
EMS Main Relay Circuit
CAN Communication


Pinpoint Tests

Pinpoint Tests


Circuit Diagram

- Fuse Box
- Engine Electronic Control Module
- Engine Electronic Control Module - connector A
- Keyless Electronic Control Module


Pinpoint Tests

Circuit Diagram

- Fall Detection Switch
- Engine Electronic Control Module
- Engine Electronic Control Module - Connector B

Pinpoint Tests


Circuit Diagram

- Ignition Master Switch (KL15) Relay
- Right Hand Switch Housing
- Right Hand Switch Housing Black Connector
- Alarm
- Fuel Pump Relay
- Engine Electronic Control Module
- Engine Electronic Control Module - Connector B
- Fuse Box

Pinpoint Tests


Circuit Diagram

- EMS Relay
- Fuse Box
- Engine Electronic Control Module
- Engine Electronic Control Module - Connector A
- Engine Electronic Control Module - Connector B

Pinpoint Tests


Circuit Diagram

- Instruments
- ABS Electronic Control Module
- Diagnostic Connector
- Keyless Electronic Control Module
- Bluetooth Module
- Engine Electronic Control Module
- Engine Electronic Control Module - Connector A
Instrument Communication (CAN)
5 Volt Sensor Supply Circuit
Throttle Actuator Motor
Twist Grip Position 1
Twist Grip Position 2
Twist Grip Position Sensor 1 Correlation Error with Twist Grip Position 2
Ambient Air Pressure Sensor
See also:
 Triumph Scrambler 1200 XC - Service manual > Gear Position Sensor
 Triumph Scrambler 1200 XC - Service manual > Gear Position Sensor
	
	This model is fitted with a hall effect gear position sensor that provides a constant voltage output ranging from 0.5 to 4.5 Volts. The output voltage is used to determine which gear is currently engaged.
 Triumph Scrambler 1200 XC - Service manual > Removal and Installation - Fuel and Air Components
 Triumph Scrambler 1200 XC - Service manual > Removal and Installation - Fuel and Air Components
	
	Fuel Cap Cover - Removal Fuel Cap Cover - Installation Fuel Tank - Removal
 Ducati Scrambler
 Ducati Scrambler Fantic Caballero 500
 Fantic Caballero 500 Indian FTR 1200
 Indian FTR 1200 Moto Guzzi V85 TT
 Moto Guzzi V85 TT Royal Enfield Bullet Trials Works Replica
 Royal Enfield Bullet Trials Works Replica Triumph Scrambler 1200 XE
 Triumph Scrambler 1200 XE Triumph Street Scrambler
 Triumph Street Scrambler Yamaha XSR700
 Yamaha XSR700 Ducati Scrambler 800
 Ducati Scrambler 800 Moto Guzzi V85 TT
 Moto Guzzi V85 TT Triumph Scrambler 1200 XC
 Triumph Scrambler 1200 XC